Overview:
CCM3310S-T is designed based on the 32-bit security CPU CS0 with independent intellectual property rights. It is distinguished by low power consumption, high performance, multifunction and high security level.It can be widely used in smart cryptographic keys, smart cards, card readers, encrypted board cards, online banking, surveillance, mobile payment, data security, secure communication, copyright control, IOT, smart grid, and other fields.The chip’s typical operating frequency is 60MHz.

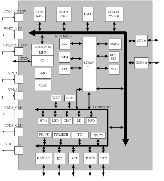
Block diagram of CCM3310S-T
? 32-bit low-power RISC core with highly optimized 3-stage pipeline
? Supporting byte, half-word, and word memory access
? Supporting interrupt nesting
? Supporting single-cycle 32-bit x 32-bit hardware integer multiplier array, 3 to13 cycle hardware integer frequency divider array
? Memory Protection Unit (MPU)
? Low power consumption and high performance
? Supporting Cache
? Timing module EPT
? 32 K bytes of SRAM
? 16K bytes of ROM
? 256K byte EFLASH
- 512 bytes/page
- minimum 100,000 erase cycles
? DMA/EDMA
? 2 timers (PIT)
? Watchdog (WDT)
? Time counter (TC)
? 1024bit RSA
? 2048bit RSA
? 256bit SM2 prime domain
? DES/3DES supports ECB/CBC mode
? AES supports ECB/CBC/CFB/OFB/CTR mode
? SM4 supports ECB/CBC/CFB/OFB modes
? SM3
? SHA-0/ SHA-1/ SHA-224/ SHA-256
? Supporting CRC32/ CRC16/ CRC
? Supporting DMAC operation
? Application-oriented memory partitioning with hardware support for secure isolation
? Scrambling bus
? True random number generator, compliant with FIPS 140-2 standards and national commercial cryptography standards
? Voltage detection unit
? Light detection unit
? Power supply burr detection unit
? Metal shielding protection
? Temperature detection unit
? Frequency detection unit
? Clock and reset pulse filtering
? Optimizing wire routing for security
Pin | Package type and pin assignment(mm) | |||
QFN32 (4*4) | SOM8 (SPI) (5.2*7.9)
| SOP8 (7816) (4.9*6.0) | IC Card | |
SPI (Multiplexing) | 2 | 1 | 0 | 0 |
I2C | 1 | 0 | 0 | 0 |
SCI | 1 | 0 | 0 | 0 |
ISO7816 | 1 | 0 | 1 | 1 |
USB | 1 | 0 | 0 | 0 |
EPORT (Multiplexing)
| 3 | 0 | 0 | 0 |
? Unique serial number for each product
? Main power input voltage: 1.62V~5.5V
? Maximum power consumption: 50mA @ 60MHz, deep sleep mode less than 1uA
? ESD: 2KV
? Supporting internal power-on reset and external reset
? Operating temperature: Consumer grade 0~70℃, Industrial grade -40~85℃
? Level II of security chip for commercial crypto product certification
? EAL4+ of China Information Technology Security Evaluation Center

? USB Key
? Smart card
? Copyright protection
? Smart grid
? Surveillance

? Complete development environment
? Rich driver libraries
? Complete application solutions